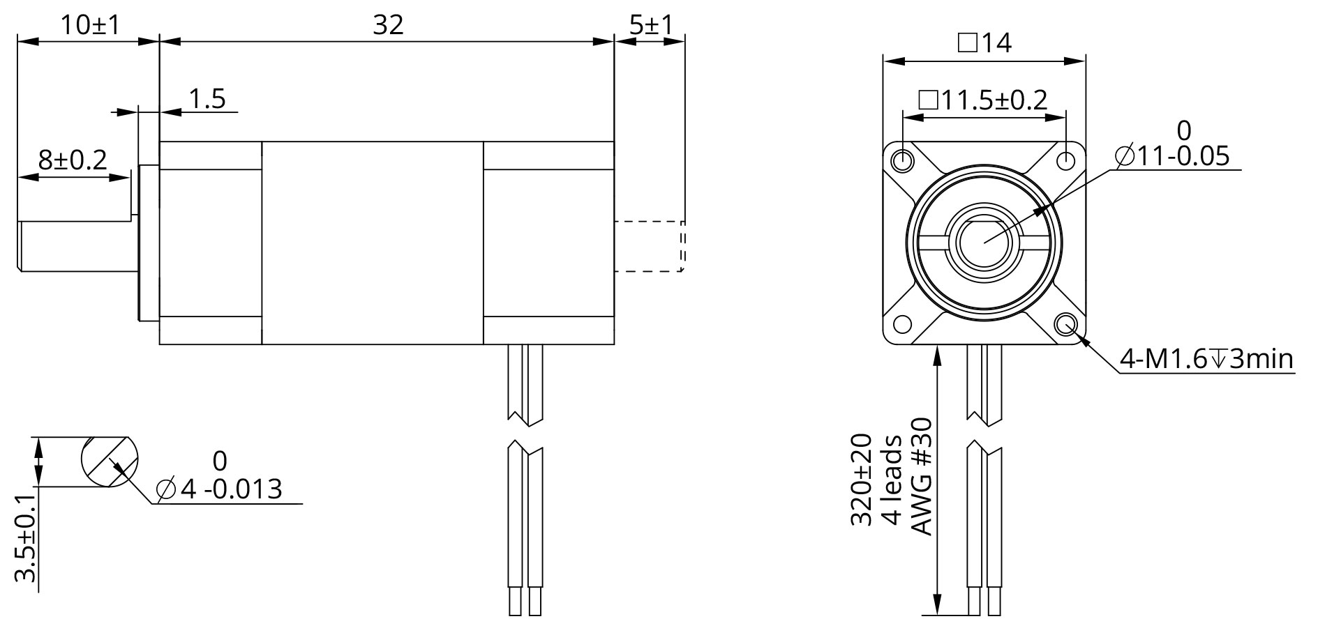
The size 6 [14mm] which is smallest hybrid rotary stepper motor from DINGS has Max. 0.005N·m of holding torque.
In a mobile environment, you can move left and right to see the contents (tables).
| General | |||||||
|---|---|---|---|---|---|---|---|
| Accuracy | Step angle | 1.8°±5% | |||||
| Resistance | ±10% / 20 C | ||||||
| Inductance | ±20% / 1KHz | ||||||
| Insulation class | B | ||||||
| Duty type | S1 | ||||||
| Dielectrical strength | 250 VAC / 1 KHz / 1 mA / 1 s | ||||||
| Insulation resistance | 100 MΩ / 500 VDC | ||||||
| Permissible radial load (5MM distance from mounting surface) |
Permissible radial load (10MM distance from mounting surface) |
Permissible radial load (15MM distance from mounting surface) |
Permissible radial load (20MM distance from mounting surface) |
||||
| 15N | 12N | 8N | 6N | ||||
| Parameter | |||||||
| Type | Current (A [RMS]) |
Resistance (Ω) |
Inductance (mH) |
Holding Torque (N·m) |
Rotor Inertia (g·cm²) |
Length (mm) |
Mass (g) |
| 6H2030 | 0.25 | 23 | 4.5 | 0.005 | 1.5 | 32 | 35 |
| Material | |||||||
| End bell | Aluminum alloy | ||||||
| Bearing | Deep groove ball bearing | ||||||
| Magnet | Sintered NdFeB | ||||||
| Shaft | Stainless steel | ||||||
| Wiring | UL 3135, AWG30 | ||||||
In a mobile environment, you can move left and right to see the contents (tables).
| Resolution(CPR) | 250 | 256 | 500 | 512 | 1000 | 1024 | 2000 | 2048 | 4000 | 4096 |
| Single ended output | 0 | 1 | 2 | 3 | 4 | 5 | 6 | 7 | 8 | 9 |