The modular design of the stator and rotor in the 50mm frameless motor, along with optimized slot ratios, improves the motor's torque density.
The rotor has a large inner bore space, and the stator is designed for embedded installation by the customer, facilitating personalized design including mounting structures and cooling systems, offering greater flexibility for custom systems.
The optimized slot-pole combination reduces motor cogging torque, ensuring smooth motor operation.
The structure is compact and highly integrated.
In a mobile environment, you can move left and right to see the contents (tables).
| Motor part number | - | 50ZWC15X-1 | 50ZWC25X-1 | |
|---|---|---|---|---|
| Stator outer diameter | mm | 50±0.031 | 50±0.031 | |
| Rotor inner diameter | mm | 30+0.033 | 30+0.033 | |
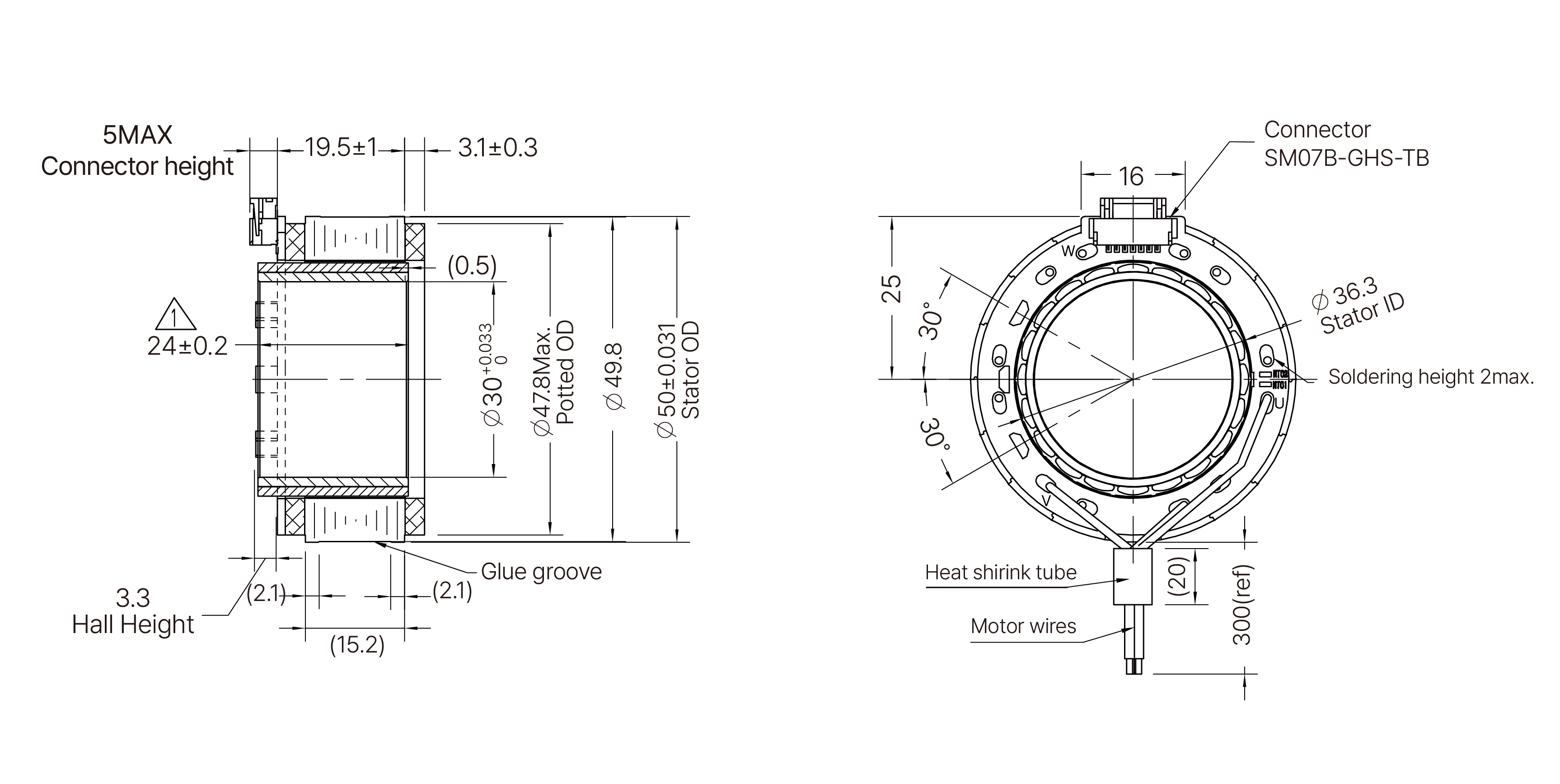
| Overall length (L) | mm | 13.2 | 19.5 | |
| Stack length (L1) | mm | 8.9 | 15.2 | |
| Rotor length (L2) | mm | 17.7±0.2 | 24±0.2 | |
| Number of slots | - | 18 | 18 | |
| Pole pairs | - | 10 | 10 | |
| Phase-to-phase resistance | Ω | 0.62 | 0.6 | |
| Phase-to-phase inductance | mH | 0.44 | 0.45 | |
| Winding connection method | - | Star connection | Star connection | |
| Insulation class | - | F | F | |
| Duty type | - | S2 | S2 | |
| Feedback method | - | Hall sensor | Hall sensor | |
| Commutation angle | - | 120° | 120° | |
| Insulation strength (Withstand voltage) | - | 500VAC/1mA/1s | 500VAC/1mA/1s | |
| Insulation resistance | - | 100 MΩ/500VDC | 100 MΩ/500VDC | |
| Stator weight | g | 77.5 | 124 | |
| Rotor weight | g | 38 | 50 | |
| No-load speed | RPM | 6400 | 5000 | |
| No-load current | A | 0.4(REF) | 1.1(REF) | |
| Rated voltage | VCD | 48 | 48 | |
| Rated power | W | 168 | 219 | |
| Rated torque | N·m | 0.3 | 0.51 | |
| Rated speed | RPM | 5350 | 4100 | |
| Rated current | A | 4.4 | 5.65 | |
| Torque constant | Nm/A | 0.074 | 0.092 | |
| Back-EMF constant (effective value) | Vrms/Krpm | 5.5 | 6.8 | |
| Peak torque | N·m | 0.96 | 1.5 | |
| Peak current | A | 10.7 | 16.1 | |
| Rotor inertia | g·cm² | 100 | 135 | |
In a mobile environment, you can move left and right to see the contents (tables).
| Lead-out type | Lead-out color | Function | |
|---|---|---|---|
| UL1332 AWG20 | Yellow | U phase | |
| Red | V phase | ||
| Black | W phase | ||
